Network analyzer panel current, voltage, frequency, power, energy, RS485

In stock - 27 items available
SKU: TPM-04SHDL
Common price €148,80 with VAT

3-phase network parameter analyzer / Network analyzer / Network analyzer - multifunctional digital panel meter, current, voltage, frequency and total power indicator, with relay output, RS485 ModBus RTU - TPM-04SHDL manufacturer TENSE (Turkey) panel meters.

Power analyzers are designed to measure and monitor electrical quantities. Thanks to the communication function, energy measurements can be monitored and reported independently. Using power analyzers, analyses such as power quality, efficiency and unit cost calculations can be performed.

Main advantages:

  • RS485 Modbus RTU (1200-19200bps)
  • 3-phase voltage transformer and 3-phase current transformer.
  • Displays voltage and current harmonics up to the 31st harmonic

  • Displays the active power (P) of each phase

  • Displays the reactive power (Q, inductive and capacitive) of each phase

  • Shows apparent power in phase (S)

  • Displays Cosφ and power factor values ​​for each phase

  • Displays the values ​​of phase to neutral, phase to phase voltage (V) and current (I) for each phase, and measures frequency.

  • Shows total active energy import and export values ​​(ΣkWh)

  • Displays the total value of inductive and capacitive reactive energy (ΣkVArh)

  • Minimum and maximum values ​​are displayed, maximum demand

  • 2 relay outputs, 1 digital input

  • Event logs (high/low voltage/current, voltage/current imbalance, THD-I)

  • The menu is password protected.

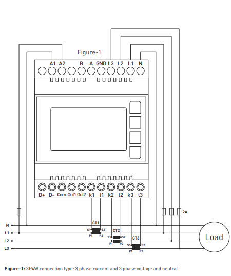
Typically, this network analyzer is used with current measuring transformers - 60/5 75/5 100/5 150/5 200/5 250/5 300/5 400/5 500/5 600/5 800/5 1000/5 1500/5 or so. If you intend to connect the analyzer to the ModBus bus, we will send you a "Register Table" with ModBus addresses upon request.

Payment by card online - after completing your order, you will be directed to the payment gateway, payment confirmation will be sent to your email.

COD – you make the payment by money order to the driver of the transport company

By bank transfer - no later than the next business day, you will receive an advance invoice by e-mail, in which you will find the account number, which you will enter when making the payment.

By invoice – this payment option is available to partners who have signed a general agreement with our company.

​If you want to use the last 2 methods, call our manager and he will explain to you how to receive an invoice with or without VAT.

The electrical equipment we supply meets high quality standards, has a 24-month warranty, and meets all EU requirements.

In the event of a complaint, there is no fee for returning the goods.