Notified by email when this product becomes available
Pre-order product
- Description
- Instructions
- Payment methods
- Warranty
3-phase network analyzer / Network analyzer / Power Quality Analyzer - Multifunctional digital panel meter, current, voltage, frequency and total power indicator, with relay output, RS485 ModBus RTU - TPM-04SHDL manufactured by TENSE (Turkey) panel meters.
Power analyzers are designed to measure and monitor electrical quantities. Thanks to the communication function, measured energy values can be monitored and reported independently. Power analyzers can be used to perform analyzes such as electricity quality, efficiency and unit cost calculation.
Key benefits:
- RS485 Modbus RTU (1200-19200b/s)
- Three-phase voltage transformer and three-phase current transformer.
-
Displays voltage and current harmonic components up to the 31st harmonic.
-
Displays phase active power (P)
-
Displays reactive power (Q, inductive and capacitive) for each phase.
-
Displays apparent power in phase (S)
-
Displays Cosφ and power factor values for each phase.
-
Displays voltage (V) and current (I) values between phases and neutral phase and measures frequency.
-
Displays total active energy import and export values (ΣkWh)
-
Displays total inductive and capacitive reactive energy values (ΣkVArh).
-
Displays minimum and maximum values, maximum demand
-
2 relay outputs, 1 digital input
-
Event logs (high / low voltage / current, voltage / current asymmetry, THD-I)
-
Password protected menu.
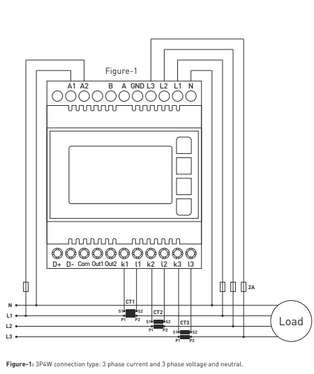
Typically, this network analyzer is used with current measuring transformers - 60/5 75/5 100/5 150/5 200/5 250/5 300/5 400/5 500/5 600/5 800/5 1000/5 1500/5 or similar. If you intend to connect the analyzer to a ModBus bus, we will send you a "Registration table" with ModBus addresses upon request.
Online card payment – after completing your order, you will be redirected to the payment portal. You will receive payment confirmation by email.
Cash on delivery – you will pay the amount specified in the payment notification to the courier upon delivery.
Bank transfer payment – a proforma invoice with the bank account number, which you will need to enter during payment, will be sent to your email no later than the next business day.
Payment to account – this option is available to partners who have signed a cooperation agreement with our company.
If you wish to use the latter two methods, please contact our manager, who will provide instructions on how to obtain an invoice with or without VAT.
The electrical equipment supplied meets high quality standards, has a 24-month warranty and complies with all EU requirements.
We also offer free delivery (for orders over 100 EUR), and a flexible system of discounts and promotions. The technical knowledge and experience of our staff enable us to provide high-quality consultations and, if necessary, offer alternative electrical products.
Our supplied electrical equipment meets high quality standards, has a 24-month warranty and complies with all EU requirements.
If a warranty claim is made, goods returns are not subject to a fee.
