RGT-12SVC - 12 lygių reaktyviosios galios valdiklis +TCR su RS485 ModBus RTU

Liko tik 3
SKU: RGT-12(SVC)
Bendra kaina €262,80 su PVM

12 žingsnių + TCR galios koeficiento valdiklis su 2,9 colių grafiniu LCD ekranu ir RS-485 (TENSE)

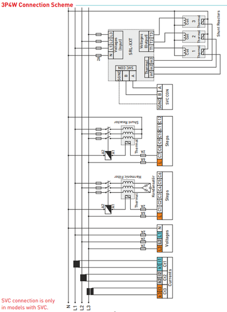
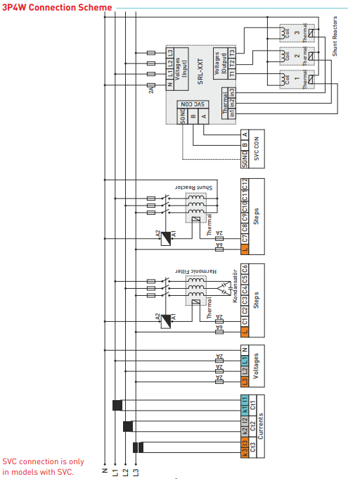
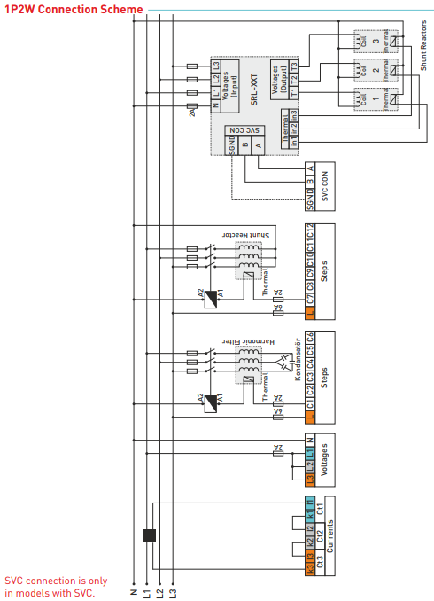
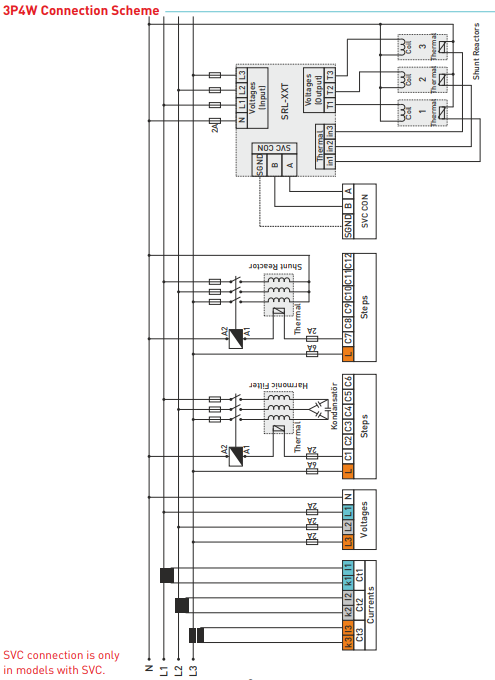
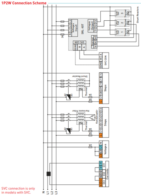
RGT-12SVC reaktyviosios galios valdiklis (TENSE ) yra visiškai automatinis prietaisas, skirtas optimaliam kompensavimo pakopų perjungimui.

Skaitmeninis reguliatoriaus išmatuotų verčių apdorojimas užtikrina didelį efektyviosios įtampos, srovės ir galios koeficiento įvertinimo tikslumą.

Įrenginys montuojamas visiškai automatiškai - reguliatorius pats nustato atskirų prijungtų kompensavimo pakopų dydį. Šiuos parametrus taip pat galima tiesiogiai įvesti rankiniu būdu.

Valdiklis įjungia ir išjungia kompensavimo pakopas taip, kad reaktyvioji galia būtų reguliuojama atliekant kuo mažiau perjungimo operacijų. Kartu valdiklis atsižvelgia į tolygią atskirų pakopų apkrovą ir pirmenybę teikia toms pakopoms, kurios buvo atjungtos ilgiausiai ir kurių liekamasis krūvis yra minimalus. Vykstant reguliavimo procesui, kompensavimo pakopos nuolat lygiagrečiai stebimos - nustatomi gedimai ir verčių pokyčiai, laikinai pašalintos pakopos periodiškai tikrinamos ir, jei reikia, vėl įtraukiamos į reguliavimo procesą.

  • Generatoriaus įėjimas ir generatoriaus kompensavimas

  • Galima nustatyti įsibėgėjimo, išsikrovimo ir nusistovėjimo laiką

  • Nuotolinis ryšys per RS485 (RS485 ModBus RTU)

  • Galima prijungti vienfazį, dvifazį ir trifazį kondensatorių ir šuntavimo reaktorių

  • Galima stebėti harmoninę įtampą ir srovę iki 31-osios harmonikos

  • Galima stebėti bendrą energijos kiekį (importą ir eksportą)

  • Galima stebėti kiekvienos fazės THD-V ir THD-I vertes

  • Sukurti galios analizę (20 pavyzdžių 9999 min.) - kondensatoriams parinkti

Mokėjimas kortele internetu – įvykdę užsakymą būsite nukreipti į mokėjimo šliuzą, mokėjimo patvirtinimas bus išsiųstas į el.

COD – mokėjimą sumokate pagal mokėjimo pavedimą transporto įmonės vairuotojui

Banko pavedimu – ne vėliau kaip kitą darbo dieną į el. paštą gausite išankstinę sąskaitą, kurioje rasite sąskaitos numerį, kurį įvesite apmokėdami. 

Išrašant sąskaitą faktūrą – ši mokėjimo parinktis prieinama partneriams, pasirašiusiems bendrąją sutartį su mūsų įmone.

​Jei norite naudoti paskutinius 2 būdus, paskambinkite mūsų vadybininkui ir jis jums paaiškins, kaip gauti sąskaitą faktūrą su ar be PVM.

Mūsų tiekiama elektros įranga atitinka aukštus kokybės standartus, turi 24 mėnesių garantiją ir atitinka visus ES reikalavimus.

Esant skundui, mokestis už prekių grąžinimą nėra imamas.