RGT-12E - 12-level reactive power regulator +TCR

In stock - 5 items available
SKU: RGT-12E
Common price €220,48 with VAT

12-step + TCR power factor controller with 2.9-inch graphic LCD display (TENSE)

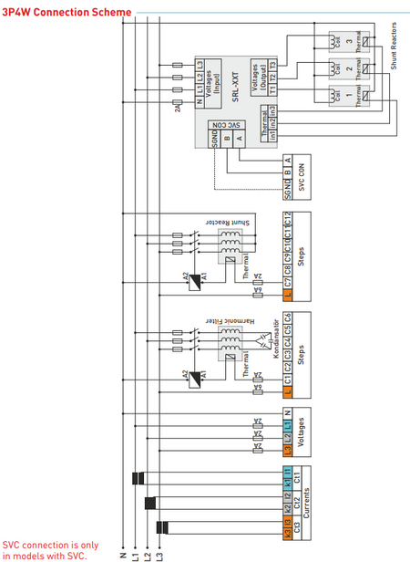
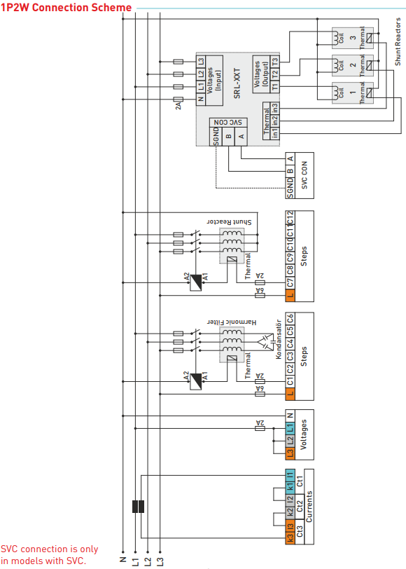
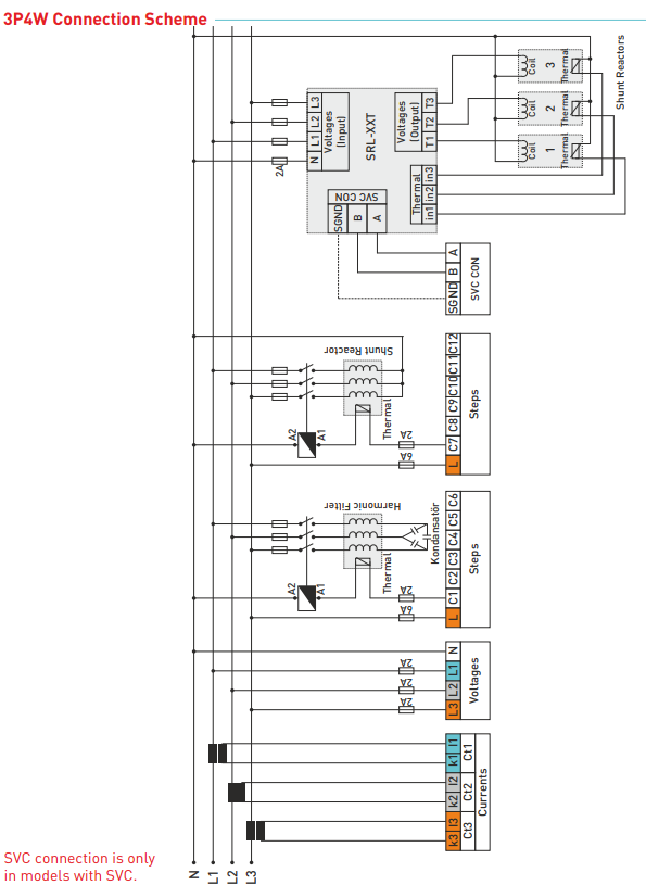
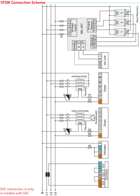
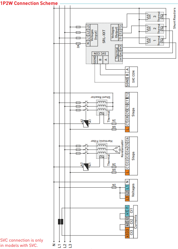
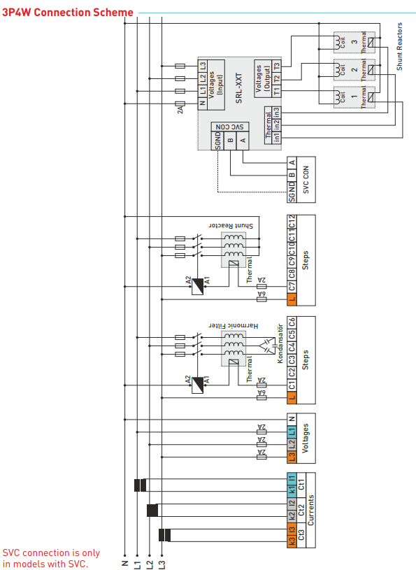
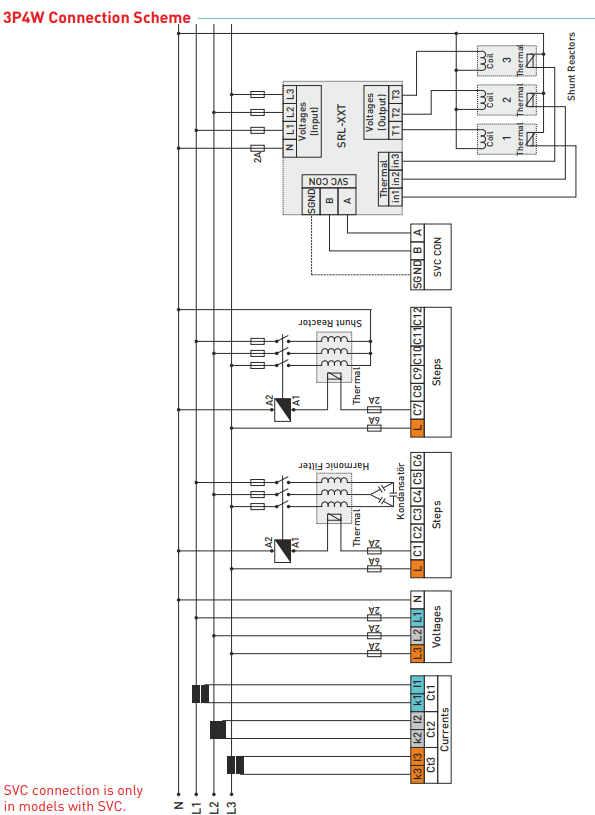
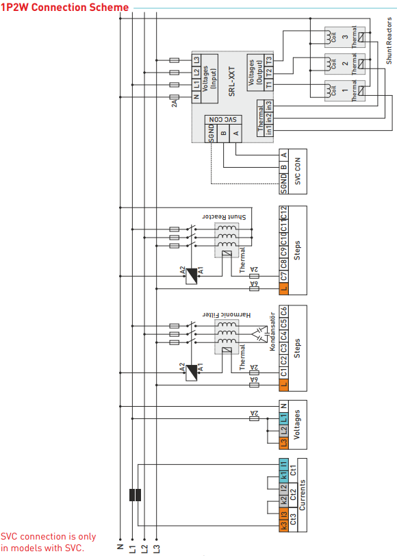
The RGT-12E reactive power controller (TENSE ) is a fully automatic device designed for optimal switching of compensation stages.

Digital processing of the measured values ​​of the regulator ensures high accuracy in estimating effective voltage, current and power factor.

The device is installed fully automatically - the controller itself determines the size of the individual connected compensation stages. These parameters can also be entered directly manually.

The controller switches the compensation stages on and off so that the reactive power is regulated with as few switching operations as possible. At the same time, the controller takes into account the uniform load of the individual stages and gives priority to those stages that have been disconnected for the longest time and have the minimum residual load. During the regulation process, the compensation stages are constantly monitored in parallel - faults and changes in values ​​are detected, temporarily removed stages are periodically checked and, if necessary, re-included in the regulation process.

  • Generator input and generator compensation

  • Acceleration, discharge and settling times can be set

  • Single-phase, two-phase and three-phase capacitor and shunt reactor can be connected

  • Harmonic voltage and current up to the 31st harmonic can be monitored

  • Total energy (import and export) can be monitored

  • THD-V and THD-I values ​​of each phase can be monitored

  • Create power analysis (20 samples 9999 min.) - for capacitor selection

Payment by card online - after completing your order, you will be directed to the payment gateway, payment confirmation will be sent to your email.

COD – you make the payment by money order to the driver of the transport company

By bank transfer - no later than the next business day, you will receive an advance invoice by e-mail, in which you will find the account number, which you will enter when making the payment.

By invoice – this payment option is available to partners who have signed a general agreement with our company.

​If you want to use the last 2 methods, call our manager and he will explain to you how to receive an invoice with or without VAT.

The electrical equipment we supply meets high quality standards, has a 24-month warranty, and meets all EU requirements.

In the event of a complaint, there is no fee for returning the goods.