Notified by email when this product becomes available
Pre-order product
- Description
- Instructions
- Payment methods
- Warranty
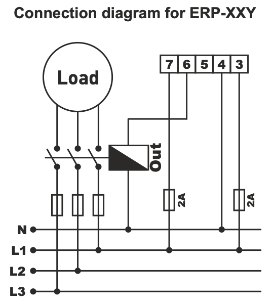
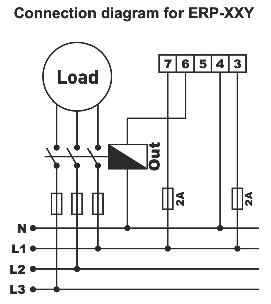
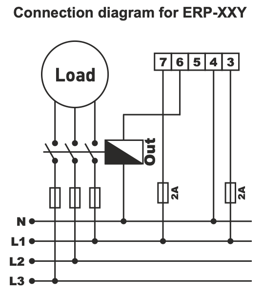
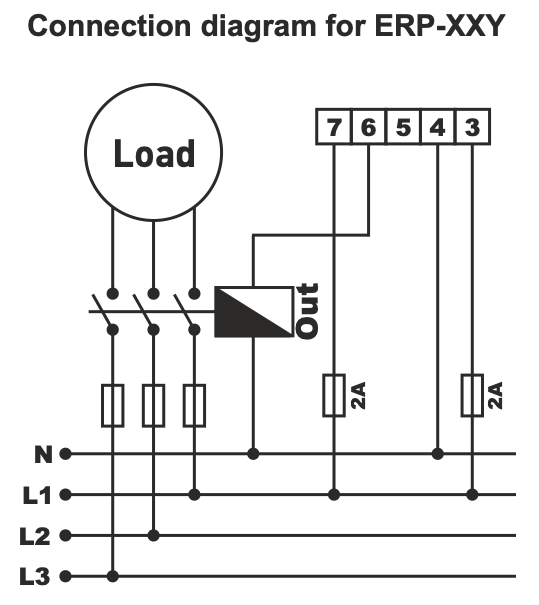
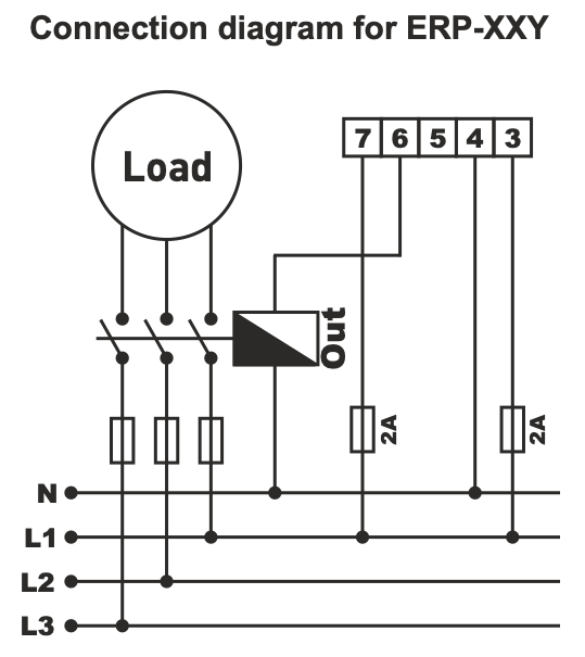
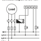
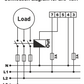
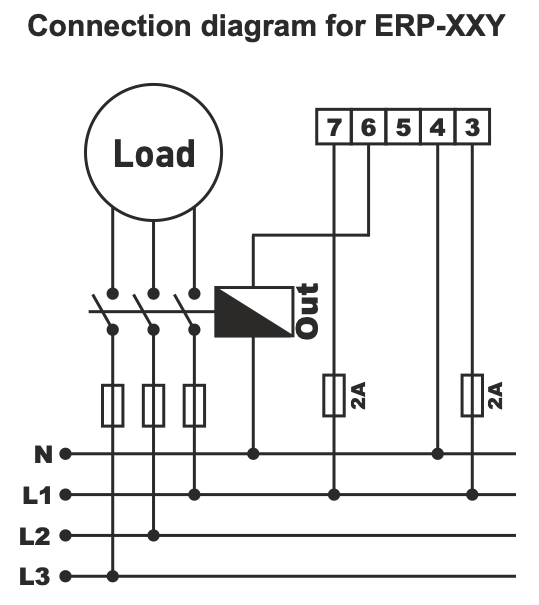
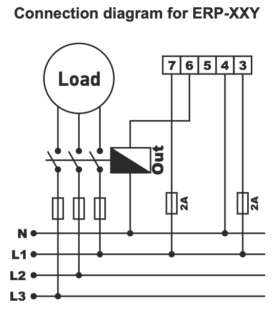
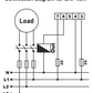
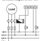
Laiko uždelsimas ON-DELAY Įmontuota monofunkcinė 230 V/AC relė su 1 perjungimo kontaktu.
Laiko uždelsimo/laiko relė naudojama apkrovoms perjungti etapais: elektriniams katilams, krosnims, šildytuvams ir kt. ir taip apsaugo nuo srovės šuolių tinkle ir automatinių jungiklių išsijungimo dėl didelių viršįtampių.
Ji taip pat gali būti naudojama koordinuoti kelių įrenginių įjungimo laiką mašinose, prietaisuose ar kitoje įrangoje.
Laiko diapazonas:
ERP-03Y - 0-3 s
ERP-12Y - 0-12 s
ERP-30Y - 0-30 s
ERP-60Y - 0-60 s
ERP-03DY - 0-3 min.
ERP-12DY - 0-12 min.
ERP-30DY - 0-30 min.
ERP-60DY - 0-60 min.
Download
Online card payment – after completing your order, you will be redirected to the payment portal. You will receive payment confirmation by email.
Cash on delivery – you will pay the amount specified in the payment notification to the courier upon delivery.
Bank transfer payment – a proforma invoice with the bank account number, which you will need to enter during payment, will be sent to your email no later than the next business day.
Payment to account – this option is available to partners who have signed a cooperation agreement with our company.
If you wish to use the latter two methods, please contact our manager, who will provide instructions on how to obtain an invoice with or without VAT.
The electrical equipment supplied meets high quality standards, has a 24-month warranty and complies with all EU requirements.
We also offer free delivery (for orders over 100 EUR), and a flexible system of discounts and promotions. The technical knowledge and experience of our staff enable us to provide high-quality consultations and, if necessary, offer alternative electrical products.
Our supplied electrical equipment meets high quality standards, has a 24-month warranty and complies with all EU requirements.
If a warranty claim is made, goods returns are not subject to a fee.
