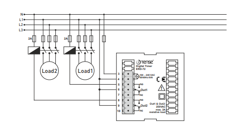
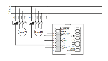
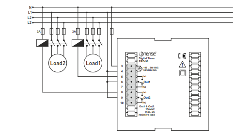
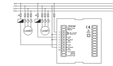
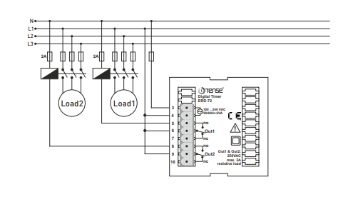
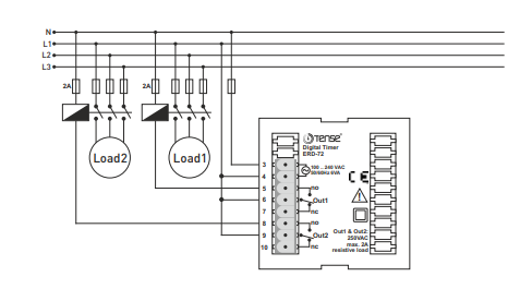
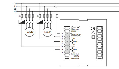
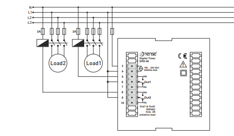
Time cycle + on/off relay LED display for panel/door mounting 230 VAC
Time cyclic + on and off delay relay LED display for panel / door mounting 230VAC - flashing at the start of the pulse, flashing at the start of the pause cyclic relay, time switch with delay. VOLTAGE ERD-96 ERD-48, ERD-72
Time relay with two functions - on-delay function and cyclic relay function.
Time setting range:
99.9 seconds, 999 seconds, 99.9 minutes or 999 minutes (selectable on front panel)
Payment by card online - after completing your order, you will be directed to the payment gateway, payment confirmation will be sent to your email.
COD – you make the payment by money order to the driver of the transport company
By bank transfer - no later than the next business day, you will receive an advance invoice by e-mail, in which you will find the account number, which you will enter when making the payment.
By invoice – this payment option is available to partners who have signed a general agreement with our company.
If you want to use the last 2 methods, call our manager and he will explain to you how to receive an invoice with or without VAT.
The electrical equipment we supply meets high quality standards, has a 24-month warranty, and meets all EU requirements.
In the event of a complaint, there is no fee for returning the goods.