Notified by email when this product becomes available
Pre-order product
- Description
- Instructions
- Payment methods
- Warranty
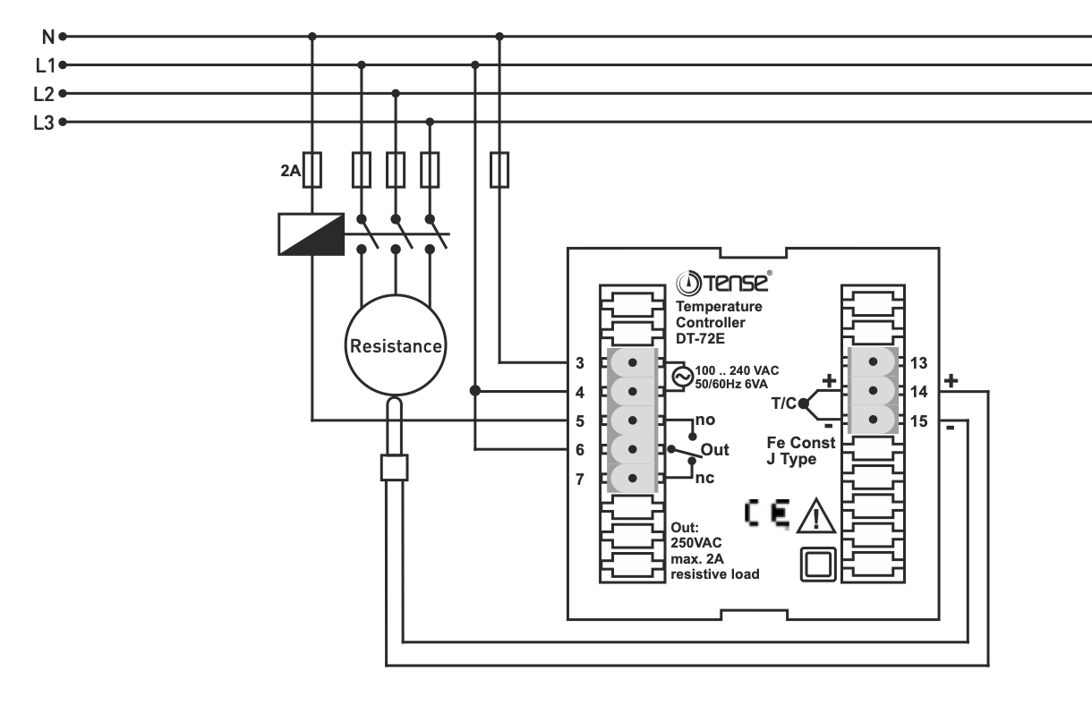
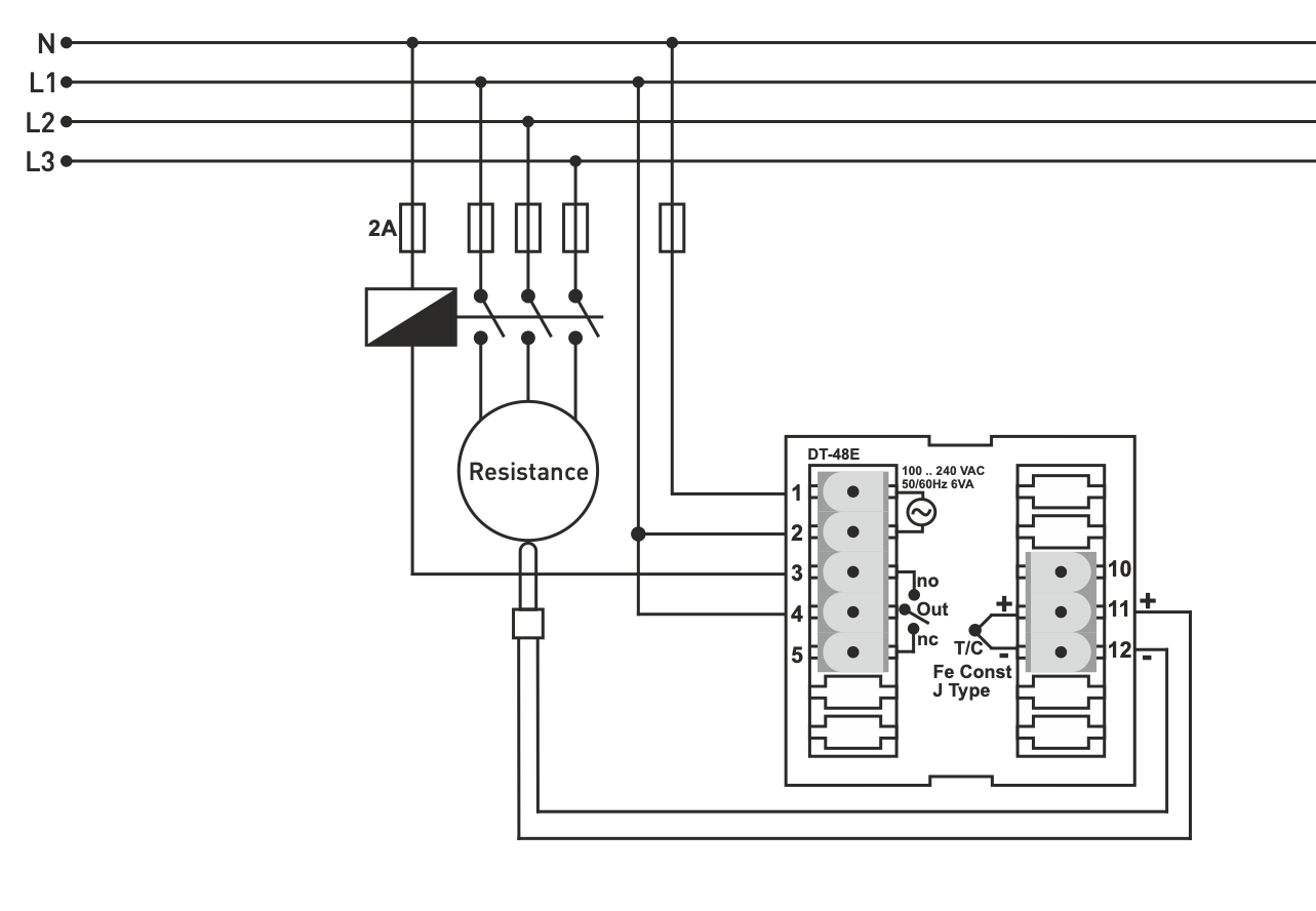
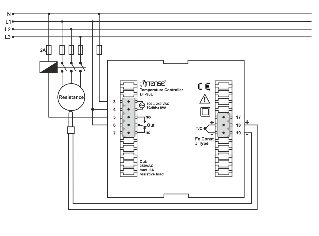
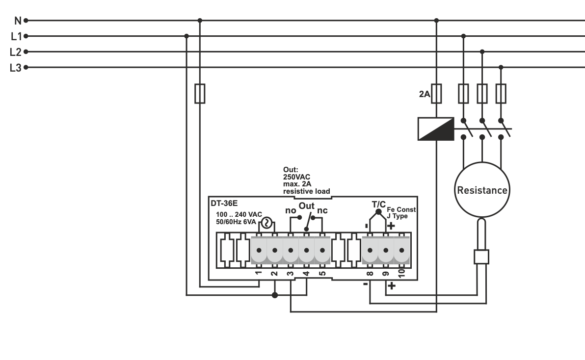
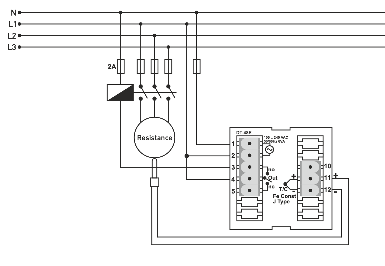
Skydo temperatūros reguliatorius DT48-EM - įjungimas/išjungimas
Gaminio aprašymas:
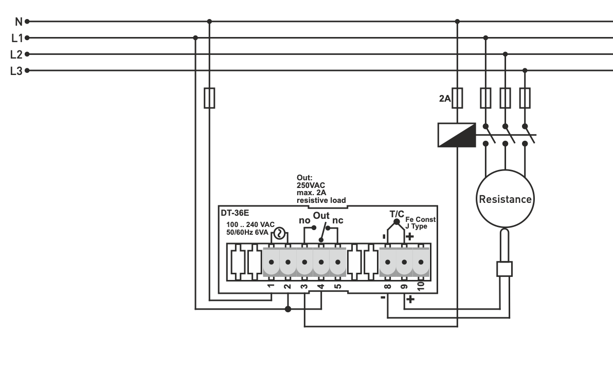
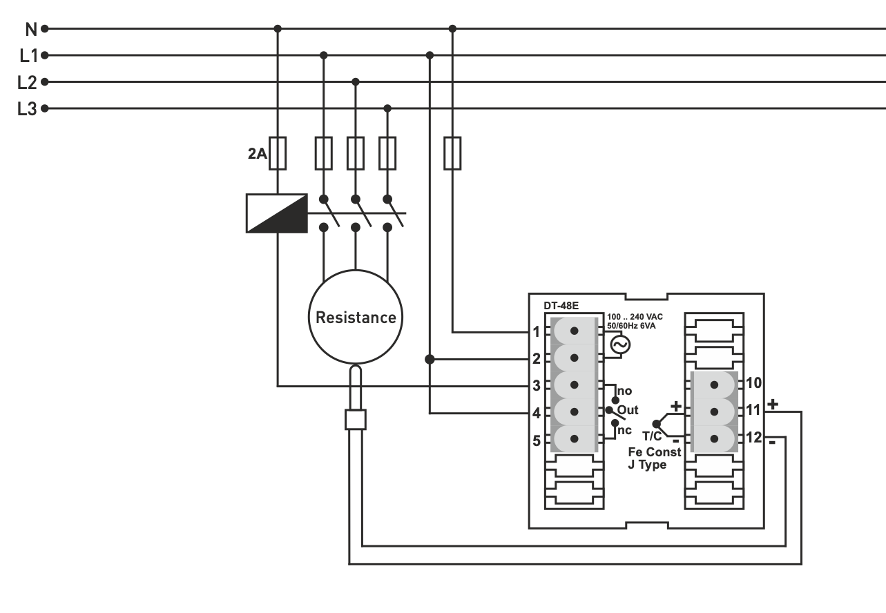
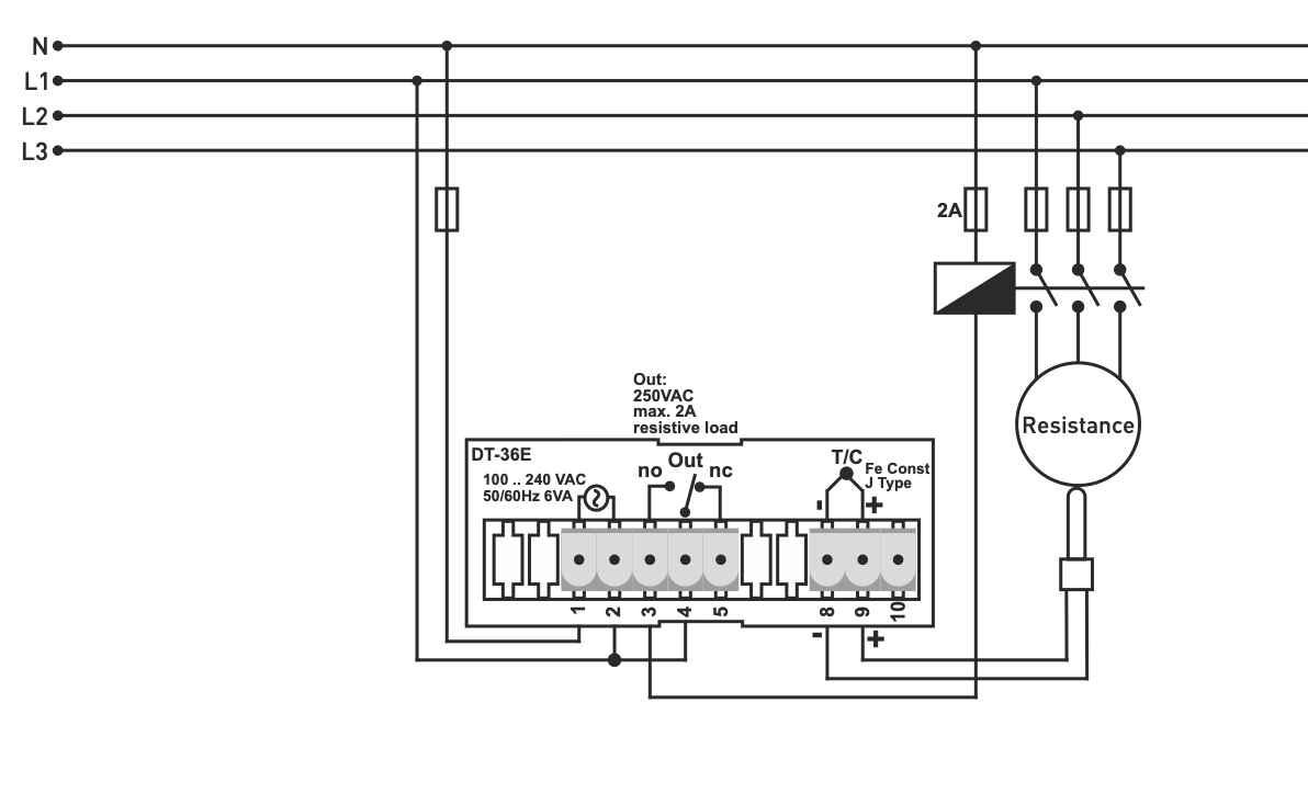
DT48-EM yra vieno kanalo skydo temperatūros reguliatorius, skirtas šildymui su universaliu įėjimu. Jis naudojamas tiksliam temperatūros reguliavimui pramoniniuose įrenginiuose, lengvosios pramonės mašinose, maisto pramonėje, krosnyse ir kitose sistemose, kuriose reikia tiksliai valdyti šildymą.
Įėjimai:
-
Pt100 varžos jutiklis
-
J, K, T, T, R, S tipo termoelementai (T/C)
Išėjimai:
-
SPDT relė 2A / 250VAC, skirta varžinei apkrovai
-
Skaitmeninė išvestis 12VDC / 20mA SSR relės valdymui
Matmenys:
-
230VAC maitinimo šaltinis.
Funkcijos ir ypatybės
-
Valdymas: PID ir ON/OFF, pasirinktinai P, PI, PD
-
Rampos režimas: nuolatinis temperatūros kilimas įjungus maitinimą
-
Anti-windup: apsauga nuo valdymo galios padidėjimo PID/PI režimu
-
Viršutinė ir apatinė riba: norimai SET temperatūrai nustatyti
-
Dviejų eilučių ekranas: Sv (nustatyta vertė) ir Pv (faktinė vertė)
-
Kompensavimas: šaltoji jungtis T/C atveju, linijos varža Pt100 atveju
-
Tiesinis konvertavimas: °C/mV ir °C/Ohm lentelės
-
Poslinkis: verčių poslinkis visame diapazone
-
Apsauga slaptažodžiu: apsaugo nuo nepageidaujamo nustatymų keitimo
-
EEPROM atmintis: išsaugo nustatymus net ir atjungus maitinimą
-
Lengvas prijungimas: 5,08 mm kištukinės jungtys
Matavimo diapazonai pagal jutiklio tipą
| Diapazonas (°C) | Jutiklio tipas | Kodas INPt |
|---|---|---|
| -100 ... 600 | TLC, J tipas T/C | J |
| -100 ... 1300 | TXA, K tipas T/C | K |
| -100 ... 400 | TMKn, T/C | T |
| 0 ... 1750 | S tipas T/C TPP | S |
| 0 ... 1750 | TPP, R tipas T/C | R |
| -100 ... 600 | Pt100 | Pt |
| -99,9 ... 600,0 | Pt100 | Pt.0 |
Pastaba:
Nors valdiklis gali matuoti žemesnę nei -20 °C ir aukštesnę nei +55 °C temperatūrą, pats prietaisas turi būti montuojamas aplinkoje, kurioje temperatūra yra -20 ... +55 °C, nes priešingu atveju gali deformuotis plastikinis korpusas ir sugesti termostatas.
Online card payment – after completing your order, you will be redirected to the payment portal. You will receive payment confirmation by email.
Cash on delivery – you will pay the amount specified in the payment notification to the courier upon delivery.
Bank transfer payment – a proforma invoice with the bank account number, which you will need to enter during payment, will be sent to your email no later than the next business day.
Payment to account – this option is available to partners who have signed a cooperation agreement with our company.
If you wish to use the latter two methods, please contact our manager, who will provide instructions on how to obtain an invoice with or without VAT.
The electrical equipment supplied meets high quality standards, has a 24-month warranty and complies with all EU requirements.
We also offer free delivery (for orders over 100 EUR), and a flexible system of discounts and promotions. The technical knowledge and experience of our staff enable us to provide high-quality consultations and, if necessary, offer alternative electrical products.
Our supplied electrical equipment meets high quality standards, has a 24-month warranty and complies with all EU requirements.
If a warranty claim is made, goods returns are not subject to a fee.
