Notified by email when this product becomes available
Pre-order product
- Description
- Instructions
- Payment methods
- Warranty
Multimetras - daugiafunkcinis daugiafunkcinis skaitmeninis panelinis multimetras, srovės, įtampos ir dažnio rodmenys, gamintojas TENSE (Turkija), paneliniai skaitikliai
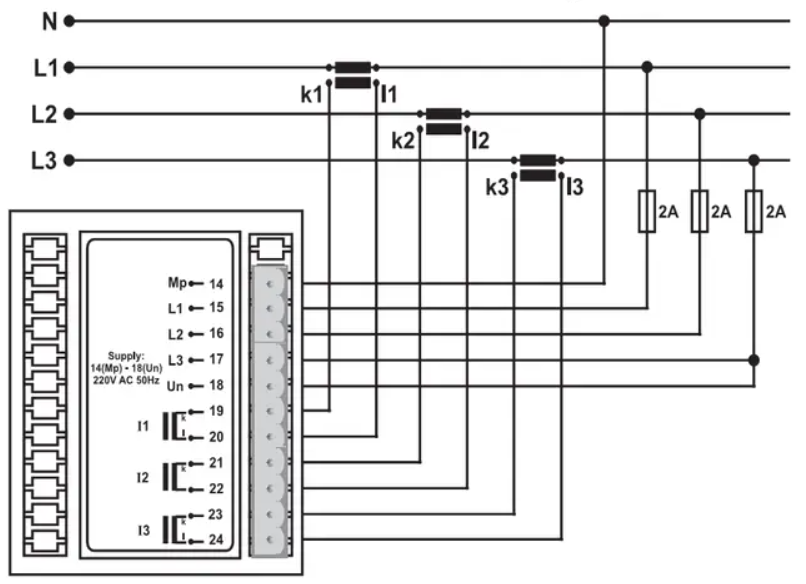
Trifazis VAHz kintamosios srovės panelinis matuoklis, skirtas matuoti srovę, įtampą ir tikrinti fazių jungtis trifazėje kintamosios srovės įrangoje, mašinose ar paskirstymo sistemose.
Pagrindiniai privalumai:
- (I,U(L-L,L-N,HZ);
- Matavimo diapazonas:
- (EM-06 ir EM-72), netiesioginis matavimas 5/5...9995/5A (EM-06 ir EM-72), 1A - 100A (EM-100D) , 2-250A (EM-250D);
-
Įtampa - 1 V-300 V kintamosios srovės (L-N), 1 V-500 V kintamosios srovės (L-L);
- dažnis - 40 Hz-60 Hz;
-
Fazės sekimas;
- Į komplektą įeina matavimo transformatorius (EM-100D ir EM-250D).
Paprastai šis multimetras (EM-06/EM-72) naudojamas su srovės matavimo transformatoriais - 60/5 75/5 100/5 150/5 200/5 250/5 300/5 400/5 500/5 600/5 800/5 1000/5 1500/5 ar panašiais. Tokių transformatorių galite įsigyti mūsų el. parduotuvėje,
Download
Online card payment – after completing your order, you will be redirected to the payment portal. You will receive payment confirmation by email.
Cash on delivery – you will pay the amount specified in the payment notification to the courier upon delivery.
Bank transfer payment – a proforma invoice with the bank account number, which you will need to enter during payment, will be sent to your email no later than the next business day.
Payment to account – this option is available to partners who have signed a cooperation agreement with our company.
If you wish to use the latter two methods, please contact our manager, who will provide instructions on how to obtain an invoice with or without VAT.
The electrical equipment supplied meets high quality standards, has a 24-month warranty and complies with all EU requirements.
We also offer free delivery (for orders over 100 EUR), and a flexible system of discounts and promotions. The technical knowledge and experience of our staff enable us to provide high-quality consultations and, if necessary, offer alternative electrical products.
Our supplied electrical equipment meets high quality standards, has a 24-month warranty and complies with all EU requirements.
If a warranty claim is made, goods returns are not subject to a fee.
